PJG工法®研究会

PJG工法
PJG工法 / PJG-L工法

「PJG工法」「PJG-L工法」は、六角ロッドを使用することにより先端モニターに取り付けた噴射ノズルの方向を確認する事ができ、PJG専用マシンの回転角度を調整することで、任意の角度の扇柱状から円柱状の改良体を造成する事ができます。また、改良速度を調整することで、改良径の調整も可能であるため、改良が必要な範囲に応じた無駄のない経済的な施工が可能です。

特 長

  • 改良目的に合わせて任意の角度調節ができる

    PJG工法、PJG-L工法では、噴射ノズルが地中にあっても方向が確認できるので、必要な部分だけ改良出来るように、造成箇所の改良角度の調節ができます。

  • 相互の密着性及びコンパクトな設備

    有効径内に施工ピッチを設定すれば、超高圧ジェットで隣接柱体ならびに連続地中壁面を洗浄しながら固結するため、非常に密着性に優れています。また、狭い場所でもコンパクトな設備、機械で施工ができます。

  • 工期の短縮

    施工断面積を任意に設定できるので、円柱状のジェットグラウト工法と比較すると、無駄な部分を排除でき、造成時間が大幅に短縮できます。

  • 経済性かつ資源の無駄遣いを解消

    使用する硬化材は安価で無公害なセメントが主体です。施工断面積を減少させて硬化材使用量の減少を図ることができるので、結果として排泥量も減少でき、環境保全性に優れています。

  • 信頼性が高く容易な施工管理

    超高圧ジェットエネルギーを利用して、確実に地盤を切削しその切削土砂を混合填充する形で造成する方法なので、現場技術者の個人差による影響がほとんど無く施工管理が容易になります。

  • シールド、推進管の路線防護

    PJG工法、PJG-L工法では、噴射ノズルが地中にあっても方向が確認できるので、必要な部分だけ改良出来るように、造成箇所の改良角度の調節ができます。

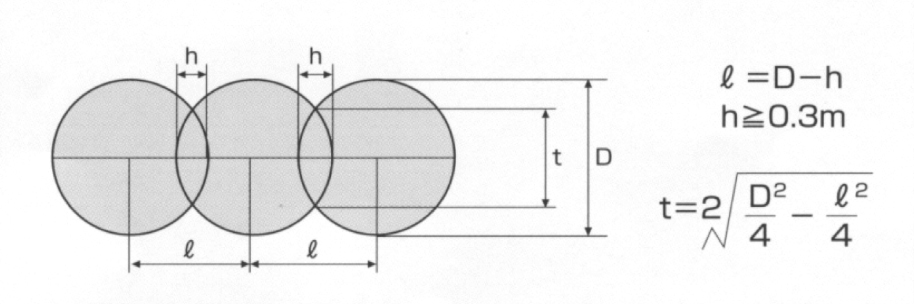
安全率 基本配列

安全率

深礎土留壁の補強
シールド工、推進管の線路防護
立坑の発進到達鏡部防護等
安全率Fs
1.0〜1.5
立坑の連続地中壁の欠損部
立坑の底盤部等
安全率Fs
2.0
半永久的な目的等安全率Fs
3.0

基本配列

土留壁
止水強化
土留壁
底盤部改良
地中連続壁
※土留欠損部の鋼管杭や鋼矢板等の被りは0.8m以上とする。

硬化材

PJG-1号・PJG-3号
セメント系が主で、地盤強化、止水等を目的として高強度が見込める。
PJG-2号・PJG-4号
セメント系が主で、セメント量により強度を弱めることを目的として中強度から低強度が見込める。
計画基準強度は、PJG-1号の60~80%程度。
PJG-5号
PJG工法専用固化材で、特殊土用であり、確認試験の実施を原則とする。

硬化材の標準配合

混和剤A:流動化剤 混和剤B:分散(解泥)剤
PJG-1号
セメント760Kg
混和剤A12Kg
749Kg
PJG-2号
セメント600Kg
混和剤A9Kg
802Kg
PJG-3号
セメント760Kg
混和剤B16Kg
746Kg
PJG-4号
セメント600Kg
混和剤B12Kg
800Kg
PJG-5号
専用固化材760Kg
混和剤A16Kg
737Kg
※PJG-3号、4号は粘性土地盤の攪拌効率を良くするものである。【高粘着土に適用(c>30kN/㎡を目安)】
※混和剤B混入量については、施工及び土質条件によって増減することがある。
※表中のセメントは普通ポルトランドセメントであるが、高炉セメントB種を使用する場合また、使用する混和剤の密度を確認の上、補正するものとする。

計画基準強度

単位(MN/㎡)
硬化材PG-1号、3号、5号PG-2号、4号
土質砂質土粘性土砂質土粘性土
一軸圧縮強度3120.7
粘着力 C0.50.30.40.2
付着力 f1/3C1/3C
曲げ引張強度2/3C2/3C
弾性係数E5030010020070
※砂礫土は、砂質土に準ずるものとする。表記の強度は4週強度を示すものである。

施工仕様

工法PJG工法PJG-L工法
吐出仕様30MPa-100L/分40MPa-200L/分
有効径φ1.0m~φ2.6mφ2.0m~3.6m
改良強度
(高強度型)
砂質土:3MN/㎡
粘性土:1MN/㎡

有効径と引上げ速度

施工現場の施工条件(施工目的、施工深度、施工強度等)および土質条件(粒度組成、粘着力、N値等)により、PJG工の有効径は下表のように決定されます。

PJG工法の標準有効径と引上げ速度

土質(N値)有効径
D(mm)
引上げ速度
ν(分/m)
回転数
(rpm)
噴射仕様
砂質土粘性土
N≦30N≦110005.53.6 ~ 14.6 超高圧硬化材
噴射圧力
30MPa
吐出量
0.1㎥/分

圧縮空気
吐出圧力
0.6MPa以上
吐出量
1.5㎥/分 以上
12008.02.5 ~ 10.0
14009.82.0 ~ 8.2
160011.51.7 ~ 7.0
180014.61.3 ~ 5.5
200018.01.1 ~ 4.5
220021.70.9 ~ 3.7
240024.00.8 ~ 3.4
260028.20.7 ~ 2.9
30<N≦601≦N≦310006.33.1 ~ 12.7
12009.12.1 ~ 8.8
140011.11.8 ~ 7.3
160013.11.5 ~ 6.2
180016.61.2 ~ 4.9
200020.50.9 ~ 4.0
220023.00.8 ~ 3.5
240027.20.7 ~ 3.0
60<N≦903<N≦510007.92.5 ~ 10.2
120011.41.7 ~ 7.1
140013.91.4 ~ 5.8
160016.31.2 ~ 5.0
180020.60.9 ~ 3.9
200025.50.7 ~ 3.2
220028.50.7 ~ 2.9
90<N≦1205<N≦710008.72.2 ~ 9.2
120012.51.6 ~ 6.4
140015.31.3 ~ 5.3
160017.91.1 ~ 4.5
180022.70.8 ~ 3.6
200028.00.7 ~ 2.9
a.
標準設計有効径は理論値に基づいて算出した有効径であり、現場に於いて施工した杭の測定結果で標準設計有効径との違いがある場合は、その都度引上げ速度の調整を行う必要がある。
b.
砂礫については、N<50は砂質土有効径の10%減を基本とする。
c.
砂礫のN>50と腐植土については、十分検討の上、決定する必要がある。(試験施工等)
d.
適用深度は30m以内の有効径とする。深度が30mを超えるものや、粘着力が0.05MN/㎡以上の場合、試験施工等で有効径を確認する事が望ましい。
e.
揺動施工の場合、引上げ速度は次式による。

νθ=θ/360×ν×1.1
ν:引上げ速度 νθ:揺動引上げ速度 θ:揺動角度
※ 算出した引上げ速度は、小数点1の位に切り上げとする。

PJG-L工法の標準有効径と引上げ速度

土質(N値)有効径
D(mm)
引上げ速度
ν(分/m)
回転数
(rpm/分)
噴射仕様
砂質土粘性土
N≦30N<320006.82.9 ~ 11.8 超高圧硬化材
噴射圧力
40MPa
吐出量
0.2㎥/分

圧縮空気
吐出圧力
0.7MPa以上
吐出量
3㎥/分 以上
22008.22.4 ~ 9.8
24009.82.0 ~ 8.2
260011.51.7 ~ 7.0
280013.31.5 ~ 6.1
300015.21.3 ~ 5.3
320017.31.1 ~ 4.7
340019.61.0 ~ 4.1
360021.90.9 ~ 3.7
30<N≦603≦N≦520007.52.6 ~ 10.7
22009.12.1 ~ 8.8
240010.81.8 ~ 7.5
260012.71.5 ~ 6.3
280014.71.3 ~ 5.5
300016.81.1 ~ 4.8
320019.11.0 ~ 4.2
340021.60.9 ~ 3.8
360024.10.8 ~ 3.4
60<N≦1005<N≦720008.52.3 ~ 9.5
220010.31.9 ~ 7.8
240012.31.6 ~ 6.6
260014.41.3 ~ 5.6
280016.71.1 ~ 4.8
300019.01.0 ~ 4.3
320021.70.9 ~ 3.7
100<N≦1507<N≦9200010.21.9 ~ 7.9
220012.31.6 ~ 6.6
240014.71.3 ~ 5.5
260017.31.1 ~ 4.7
280020.01.0 ~ 4.0
a.
標準設計有効径は理論値に基づいて算出した有効径であり、現場に於いて施工した杭の測定結果で標準設計有効径との違いがある場合は、その都度引上げ速度の調整を行う必要がある。
b.
砂礫については、N<50は砂質土有効径の10%減を基本とする。
c.
砂礫のN>50と腐植土については、十分検討の上、決定する必要がある。(試験施工等)
d.
適用深度は30m以内の有効径とする。深度が30mを超えるものや、粘着力が0.05MN/㎡以上の場合、試験施工等で有効径を確認する事が望ましい。
e.
揺動施工の場合、引上げ速度は次式による。

νθ=θ/360×ν×1.1
ν:引上げ速度 νθ:揺動引上げ速度 θ:揺動角度
※ 算出した引上げ速度は、小数点1の位に切り上げとする。
PJG-L工法(軟弱地盤用)
近年、軟弱地盤の液状化対策や地盤補強が施工されている。ついては、軟弱地盤の施工としてPJG-L工法において砂質層でN値25以下、粘性土でN値2以下の地盤で、必要な噴射時間を以下のように定める。

PJG-L工法の軟弱地盤標準設計有効径と引上げ速度

土質(N値)有効径
D(mm)
引上げ速度
ν(分/m)
回転数
(rpm/分)
噴射仕様
砂質土粘性土
N≦25N<2φ16003.36.0 ~ 12.2 超高圧硬化材
噴射圧力
40MPa
吐出量
0.2㎥/分

圧縮空気
吐出圧力
0.7MPa以上
吐出量
3㎥/分 以上
φ17003.55.7 ~ 11.5
φ18003.95.1 ~ 11.3
φ19004.34.6 ~ 9.4
φ20004.84.1 ~ 8.4
φ21005.23.8 ~ 7.7
φ22005.73.5 ~ 7.1
φ23006.33.1 ~ 6.4
φ24006.82.9 ~ 5.9
φ25007.42.7 ~ 5.5
φ26008.02.5 ~ 5.0
φ27008.62.3 ~ 4.7
φ28009.32.1 ~ 4.4
φ290010.02.0 ~ 4.0
φ300010.61.8 ~ 3.8
φ310011.41.7 ~ 3.6
φ320012.11.6 ~ 3.4
φ330012.91.5 ~ 3.2
φ340013.71.4 ~ 3.0
φ350014.51.3 ~ 2.8
φ360015.31.3 ~ 2.7
φ370016.21.2 ~ 2.5
φ380017.11.1 ~ 2.4
φ390018.01.1 ~ 2.3
φ400018.91.0 ~ 2.2
a.
標準設計有効径は理論値に基づいて算出した有効径であり、現場に於いて施工した杭の測定結果で標準設計有効径との違いがある場合は、その都度引上げ速度の調整を行う必要がある。
b.
砂礫については、N<50は砂質土有効径の10%減を基本とする。
c.
腐植土については、十分検討の上、決定する必要がある。(試験施工等)
d.
適用深度は30m以内の有効径とする。深度が30mを超えるものや、粘着力が0.05MN/㎡以上の場合、試験施工等で有効径を確認する事が望ましい。
e.
揺動施工の場合、引上げ速度は次式による。

νθ=θ/360×ν×1.1
ν:引上げ速度 νθ:揺動引上げ速度 θ:揺動角度
※ 算出した引上げ速度は、小数点1の位に切り上げとする。
f.
改良下端部の初期噴射については、軟弱地盤の造成径φ2600mm以下は不要とする。

PJG-L工法 プラント標準図

番号機械名規格・性能台数
セメントサイロたて型 30t1
グラウトミキサーTMP-1500-APK1
補助加圧ポンプNSK-381
モルタル流量計MPF-0011
超高圧ポンプGS-2001
発電機250KVA1
エアーコンプレッサー190HP1
発電機150KVA1
水タンク20m31
泥水タンク20m31
土砂タンク5m31
マッドスクリーンTM-10001
削孔ポンプMG-25TV1
発電機100KVA1
バキューム車大型
セメントローリー車大型
特殊混和材置き場

PJG工法・PJG-L工法の施工手順(ケ-シング削孔の場合)

標準施工フロー

  • ① ガイドホール先行削孔(ケーシング)

    計画改良体の下端+モニター余長まで削孔を行う
    ※必要に応じて削孔完了後、ケーシングの
    鉛直精度を確認(孔内傾斜計を使用)

  • ② 二重管ロッド建込み (造成専用ロッド)

    二重管ロッド建て込み後、ケーシングを引抜く

  • ③ 水によるテスト噴射、改良層下端噴射

    テスト噴射により切削圧力・吐出量を確認する
    ロッド回転速度、ロッド引上げ時間の確認

  • ④ PJG工造成状況

    排泥排出量の確認
    ロッド回転速度、ロッド引上げ時間の確認

  • ⑤ 造成完了、二重管ロッド引抜き

    片付け、次孔にPJG専用マシンを移動

小型機仕様

従来機より、更に小型の改良機による施工を実現

先端造成装置

標準機: L2350×W1850×H2500 3250kg

小型機: L1660×W800×H1320 800kg